直流電源:兩用可變直流穩壓電源
2017-6-24 10:26:38??????點擊:
兩用可變直流穩壓電源,是無線電愛好者必備的維修時使用的儀器。這里介紹一種輸出±1.25V~15V或+1.25V~30V,輸出電流約1.5~2A左右。它容易制作,使用起來方便且得心順手。
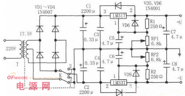
電路工作原理見下圖。本電路最大的優點是采用兩塊三端可調穩壓塊LM317、LM337。在維修使用過程中,當開關K撥至位置“1”時,由電源變壓器T次級降至17.5V×2的交流電壓,經VD1~VD4整流后分別送到LM317和LM337的輸入端,再經取樣電阻R1、R2和輸出電壓調解電位器RPl、RP2的控制,就可以在輸出端得到±1.25~15V連續可調的電壓。當選擇開關K位置撥在“2”時,就將雙組輸出的電源變壓器T組作為單組使用,經整流、濾波后只送入LM317,以得到+1.25~30V電壓。單電源輸出,這樣就可以方便地應用于需要單電源或略高的電壓在維修電路中選用。

電路中的R1、R2用于保護提供不小于5mA的負載電流;C5、C6是為了減小取樣電路的R1、R2兩端的紋波電壓而設的旁路電容;C7、c8的設計是防止當輸出端負載呈容性時而出現的自激現象的發生;VD5、VD7是當輸出/輸入端發生短路時,防止c7、c8的放電電流損壞三端穩壓塊;VD6、VD8是為了防止輸出端出現短路時,C5、C6的放電電流損壞三端穩壓塊。
LM317及LM337的引腳功能見圖2。本電路中所有電容均選用耐壓大于50V的元器件。兩個三端可調穩壓塊的功耗約15W左右。

切記要求加足夠的散熱片,變壓器中心抽頭虛線一定要牢固接地,是為了防止有交流聲的干擾。
電路工作原理見下圖。本電路最大的優點是采用兩塊三端可調穩壓塊LM317、LM337。在維修使用過程中,當開關K撥至位置“1”時,由電源變壓器T次級降至17.5V×2的交流電壓,經VD1~VD4整流后分別送到LM317和LM337的輸入端,再經取樣電阻R1、R2和輸出電壓調解電位器RPl、RP2的控制,就可以在輸出端得到±1.25~15V連續可調的電壓。當選擇開關K位置撥在“2”時,就將雙組輸出的電源變壓器T組作為單組使用,經整流、濾波后只送入LM317,以得到+1.25~30V電壓。單電源輸出,這樣就可以方便地應用于需要單電源或略高的電壓在維修電路中選用。

電路中的R1、R2用于保護提供不小于5mA的負載電流;C5、C6是為了減小取樣電路的R1、R2兩端的紋波電壓而設的旁路電容;C7、c8的設計是防止當輸出端負載呈容性時而出現的自激現象的發生;VD5、VD7是當輸出/輸入端發生短路時,防止c7、c8的放電電流損壞三端穩壓塊;VD6、VD8是為了防止輸出端出現短路時,C5、C6的放電電流損壞三端穩壓塊。
LM317及LM337的引腳功能見圖2。本電路中所有電容均選用耐壓大于50V的元器件。兩個三端可調穩壓塊的功耗約15W左右。

切記要求加足夠的散熱片,變壓器中心抽頭虛線一定要牢固接地,是為了防止有交流聲的干擾。
- 上一篇:直流穩壓電源的幾種散熱設計方法的對比 2017/6/24
- 下一篇:直流穩壓電源平面變壓器的應用 2017/6/23
