電動汽車蓄電池充電機充電與驅動集成化拓撲研究
針對功率等級較高的電動汽車提出一種蓄電池充電機充電與驅動集成化拓撲。經過共用相同的電力電子器材將蓄電池充電機充電系統和電機驅動系統相集成。該集成拓撲結構中蓄電池充電機充電系統選用一種依據磁組合變壓器的三相輸入組合式全橋改換器。
蓄電池充電機充電系統中的三個單相橋式改換器能夠重構成雙正弦波逆變器。將雙正弦波逆變器和阻抗源網絡相結合驅動開放式繞組感應電機。蓄電池充電機充電方式和驅動方式經過相應的切換開關完成。在實踐工程運用中,集成拓撲銜接導線較長,寄生參數對電路的功用影響就會較大,因而選用了一種緩沖電路。所提集成化拓撲具有功率因數高、電氣阻隔、單級升/降壓、可靠性高以及自容錯才能等長處。仿真和試驗成果驗證了該集成化拓撲結構的可行性。
溝通充電機充電樁為電動汽車供給了隨時隨地進行電能補給的處理計劃。為了推動溝通充電機充電樁的快速開展,需求研制帶著車載蓄電池充電機的電動汽車。比亞迪純電動客車K9A隨車帶著蓄電池充電機,選用了蓄電池充電機充電系統和驅動系統彼此獨立的結構方式:蓄電池充電機充電系統運轉拓撲選用三相PWM整流器,驅動系統選用一般的三相正弦波逆變器,因而,整個系統選用了12個可控的功率管。
為了安全,蓄電池和電網有必要阻隔,而三相PWM整流器無電氣阻隔,因而電網側有必要裝置損耗大、體積大的工頻變壓器,這無疑添加了基礎設施建設本錢。驅動系統需求高壓蓄電池組直接給三相正弦波逆變器供給能量,這就需求較多的電池。電池越多,發作毛病的概率越大,安全性較差。別的,一般的三相正弦波逆變器可靠性較差,一旦發作毛病,驅動系統將無法作業,純電動汽車中止運轉。
電機操控器、DC-DC改換器和車載蓄電池充電機是純電動插電式商用車中不行缺少的三大類中心電力電子零部件。這三種不同功用的系統運用相同的電力電子器材完成集成化,能夠減小整個系統的體積和質量。現在,國內外關于車載式蓄電池充電機充電系統和電機驅動系統集成拓撲結構已有許多[1-9]。
文獻[2-4]運用電機繞組作為蓄電池充電機充電系統的升壓電感進行集成,但在蓄電池充電機充電系統運轉的情況下,繞組損耗較大,且蓄電池充電機充電系統不具有電氣阻隔效果,電氣安全性較差,適用于功率等級較低的電動汽車,不能完成能量回饋。
文獻[5,6]提出了一種特殊的雙定子繞組結構的嵌入式永磁同步電機,該集成拓撲結構在牽引方式下,經過對三相全橋正弦波逆變器的操控完成對電機的驅動操控;在蓄電池充電機充電方式下運用雙定子繞組構成工頻變壓器完成電氣阻隔,拓撲結構為阻隔型三相PWM整流器,完成了單位功率因數,增強了蓄電池充電機充電系統的安全性。可是該電機磁路不適合在頻率較高的情況下作業,損耗較大,功率較低,且電機結構雜亂,本錢高。
文獻[7]提出了一種具有再生制動才能的集成拓撲結構,它把整流電路和升降壓電路相結合,既能夠進行功率因數校正,又可完成能量回饋。該集成拓撲只能選用單相電源供電,因而蓄電池充電機充電系統不具有電氣阻隔效果,功率等級不高。
文獻[8]提出的拓撲結構,在蓄電池充電機充電方式下,由兩個交叉并聯的三相PWM升壓改換器作業;在牽引方式下,改換器作為一個三相全橋正弦波逆變器。這種拓撲結構在蓄電池充電機充電方式下不具有電氣阻隔效果,在牽引方式下繞組之間存在互感,操控較雜亂,且電機設計較雜亂。
文獻[9]提出運用開關磁阻電機繞組作為蓄電池充電機充電系統中的儲能或者濾波電感構建Buck-Boost改換器,可是蓄電池充電機充電方式時損耗較大。在牽引方式下,蓄電池經過一級Boost升壓改換器,經過正弦波逆變器改換驅動開關磁阻電機。該拓撲能夠完成能量回饋,可是在蓄電池充電機充電方式下不能電氣阻隔。中大功率驅動系統運用三相全橋正弦波逆變器時,需考慮母線雜散電感的影響,一般采取的辦法就是附加緩沖電路[10],而文獻[11]針對三相Z源正弦波逆變器提出了一種緩沖電路。
經過以上剖析可知,現在的電動汽車蓄電池充電機充電與驅動集成化拓撲結構具有為以下兩個特色:①結構簡略的集成拓撲結構中蓄電池充電機充電系統不具有電氣阻隔效果,安全性差,且沒有容錯才能,只適用于功率等級較低的電動汽車;②具有電氣阻隔效果又有高功率因數的集成拓撲,在牽引方式下電機結構設計較雜亂或操控較雜亂,本錢較高。關于中大功率電動汽車,本錢、可靠性、功率因數、容錯、體積等都是電動汽車行業需求考慮的關鍵問題。
文獻[12]從改換器的視點動身提出了一種高功用的集成化拓撲,可是電路中需求較多的切換開關。為了削減切換開關,本文提出了另一種蓄電池充電機充電系統和電機驅動系統集成計劃,該拓撲結構蓄電池充電機充電系統為三相溝通輸入,且功率因數高,可電氣阻隔,無電解電容,壽命較長。電機驅動系統選用了單級升壓雙正弦波逆變器,具有較強的容錯才能、較高的可靠性,并能完成單級升/降壓和能量回饋。
1 電動汽車蓄電池充電機充電與驅動集成化拓撲結構
關于電動客車、大巴等中大功率電動汽車,蓄電池充電機充電與驅動集成化拓撲有必要具備本錢低、結構簡略、可靠性高、功率因數高、容錯才能較強等特色。蓄電池充電機充電系統和驅動系統彼此獨立作業,當處于蓄電池充電機充電方式時,電機驅動中止作業;當處于牽引方式時,蓄電池充電機充電系統中止作業。針對此,本文提出了一種新穎的集成化拓撲,其結構框圖如圖1所示。
蓄電池充電機充電系統由輸入LC型高頻濾波器、二極管整流器、3-H橋正弦波逆變器、磁組合變壓器、不控整流濾波電路構成;驅動系統由LC型濾波電路、阻抗源網路輔佐器材、3-H橋正弦波逆變器和開繞組感應電機(Open-end WindingInduction Motor, OWIM)組成。
從圖1能夠看出,蓄電池充電機充電系統和驅動系統共用了3個H橋高頻正弦波逆變器和輸出LC型濾波器。集成化拓撲原理圖如圖2所示。變換開關0~3號以及開關A號能夠完成蓄電池充電機充電方式與驅動方式的切換。而這些變換開關可用接觸器構成。
升壓網絡為阻抗源網絡輔佐器材。A相改換器由輸入LC型濾波器、二極管橋式整流濾波電路、變換開關以及H橋正弦波逆變器組成,B、C相改換器和A相改換器的結構相同。為了使驅動系統結構簡略,本錢低,具有自容錯才能[12-15],將蓄電池充電機充電系統中的3個H橋改換器重構成雙正弦波逆變器驅動開放式繞組感應電機[16,17]。將阻抗源網絡和雙正弦波逆變器相結合構成單級升壓雙正弦波逆變器作為電機驅動系統。
集成拓撲結構中電感L1既作為蓄電池充電機充電系統中的輸出濾波電感,又作為電機驅動系統中阻抗源網絡的輸入濾波電感。電機驅動系統中阻抗源網絡的輸入濾波電感L1與電感L2能夠集成在同一個磁心上,降低了本錢,減小了體積和質量。
圖1 電動汽車蓄電池充電機充電與驅動集成化結構框圖
因為集成化拓撲中蓄電池充電機充電和驅動共用正弦波逆變器,需求在3個H橋正弦波逆變器的直流穩壓電源側進行切換,因而,不行避免地會發生較大的寄生電感。減小寄生電感對電路功用的影響是工程運用中需求處理的關鍵問題。當單級升壓雙正弦波逆變器處于直通矢量狀況變換為非直通狀況時,直流穩壓電源母線環節存在散布電感、寄生電感,正弦波逆變器直流穩壓電源母線上會發生很高的電壓尖峰,極易燒壞功率管。所以,結合實踐運用,文獻[15]對單級升壓雙正弦波逆變器進行了改善。
圖2 電動汽車蓄電池充電機充電與驅動集成化拓撲結構
2 蓄電池充電機充電系統和驅動系統
2.1 蓄電池充電機充電系統
經過操控變換開關0~3號以及開關A號可將集成化拓撲結構為蓄電池充電機充電方式,如圖3所示。其拓撲為三相組合式全橋AC-DC改換器,由輸入LC型濾波器、不控整流橋、直流穩壓電源母線濾波電容(薄膜電容)、3個H橋高頻正弦波逆變器、磁組合變壓器和輸出級的不控整流濾波電路構成。其間,磁組合變壓器由3套完全相同的EE形磁心構成,有3個一次繞組和一個匝鏈這3個一次繞組的二次繞組[18,19]。
依據三相瞬時功率平衡原理,磁組合變壓器將三路對稱、互差120°、且依照正弦規則改變的脈動的功率疊加為幅值安穩的功率,所以AC-DC改換器能夠輸出安穩的電壓。因為前級的功率不是安穩的而是依照正弦規則改變的,所以直流穩壓電源母線濾波電容值可大大減小。由此蓄電池充電機充電系統完成了無電解電容以及高功率因數[12]。
圖3 電動汽車蓄電池充電機充電方式
蓄電池充電機充電系統中,AC-DC改換器選用移相操控減小開關損耗。因為磁組合變壓器的特殊結構,三路H橋正弦波逆變器的驅動信號有必要同步,即選用相同的載波信號,這樣可保證磁組合變壓器一次繞組所施加的電壓在某一時刻是同向的,以便完成三路磁通疊加而不是相抵消。AC-DC改換器具體的原理結構以及操控辦法見文獻[12,18,19],不再贅述。
2.2 驅動系統
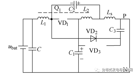
經過操控變換開關1~3號以及開關A號,可將集成化拓撲結構為驅動方式,如圖4所示。電機驅動系統由新式的準Z源升壓網絡、3個H橋正弦波逆變器及OWIM組成。其間,點劃線框內是新式準Z源升壓網絡,由準Z源網絡和輔佐緩沖電路結合而成,它能夠按捺母線電壓尖峰;OWIM只需求將星形聯合的繞組中點拆開,電機本體結構不變;3個H橋正弦波逆變器共直流穩壓電源母線構成了2個三相正弦波逆變器,簡稱雙正弦波逆變器。新式準Z源升壓網絡和雙正弦波逆變器構成了一種新式的單級升壓雙正弦波逆變器。
依據雙正弦波逆變器的電機驅動系統中具有很強的容錯才能[12-15]。Q1為可控功率管。當驅動系統處于電動方式時,Q1關斷,它的體二極管VD1參加到電路中;當驅動系統處于發電方式時,Q1的體二極管VD1關斷,Q1參加到電路中。由此,電機驅動系統既能完成升/降壓功用又完成了能量回饋。
圖4 電動汽車蓄電池充電機充電驅動方式
新式單級升壓雙正弦波逆變器的作業原理為:三個H橋母線上的散布電感、寄生電感Ls和外接電容C3構成無源網絡,在直通狀況和非直通狀況變換期間參加到緩沖電路中。銜接P端的功率管截止和導通時對應的緩沖電路的作業方式如圖5所示[15]。
銜接P端的功率管截止時的等效回路如圖5a所示,二極管VD3導通,寄生電感與電容C3、C1及VD3構成放電回路,按捺母線電壓尖峰。圖5b為銜接P端的功率管導通瞬間時的等效回路,此刻,還未向負載供給能量,二極管VD2導通,C2、C3、Ls、VD2構成回路,C3開端放電。當C3兩頭電壓不再大于C2兩頭電壓時,VD2截止;當這個功率管完全導通進入穩態,并向負載供給能量時,VD2、VD3均截止。
(a)銜接P端的功率管截止時的等效回路
(b)銜接P端的功率管導通瞬間時的等效回路
圖5 電動汽車蓄電池充電機充電緩沖電路的作業方式
單級升壓雙正弦波逆變器穩態時的作業狀況等效電路如圖6所示。圖6a為非零電壓矢量等效電路,二極管VD1導通,VD2、VD3截止,該等效電路與準Z源正弦波逆變器[20]相同。圖6b為直通零矢量等效電路。因為升壓電感遠大于寄生電感,所以可疏忽寄生電感。從圖6能夠看出,該電路的升壓才能和準Z源正弦波逆變器的升壓才能相同。
(a)非零電壓矢量
(b)直通零矢量
圖6 單級升壓正弦波逆變器穩態時的等效電路
3 仿真剖析
為了證明電動汽車蓄電池充電機充電與驅動集成化拓撲結構是否可行,搭建了仿真模型。仿真參數[19]:蓄電池充電機充電系統中負載電阻為5,輸出濾波電容為2mF,輸出電壓180V,開關頻率為12kHz,輸入濾波電感為0.5mH,輸入濾波電容為0.002mF,變壓器一次繞組自感LA=LB=LC=0.01H,二次繞組自感L2= 0.006H,互感MA=0.004 5H,MB=0.004 5H,MC= 0.004 5H。
開放式繞組感應電機模型參數為:額外功率為3.3kW,額外線電壓為320V,額外頻率為50Hz,額外轉速為1 430r/min,定子電阻為1.898?,定子電感為0.196H,轉子電阻為1.45,轉子電感為0.196H,互感為0.187H,轉動慣量為0.006 7kgm2,極對數為2。
單級升壓正弦波逆變器的輸入電壓為250V,直通占空比為0.22,選用直通狀況分段SYSVPWM調制方 法[15],直流穩壓電源母線電壓升高到500V。電機驅動系統選用轉子磁場定向的矢量操控進行開始仿真證明。
蓄電池充電機充電系統仿真波形如圖7所示。圖7a為電網電壓和電流的仿真波形,能夠看出電流波形的正弦度很高,功率因數在0.99以上;圖7b為直流穩壓電源母線電壓波形,其波形為一饅頭波,這是因為直流穩壓電源側運用了幾微法的薄膜電容進行濾波,得出了三相功率是脈動的且依照正弦規則改變;圖7c為負載電壓波形,經過磁組合變壓器將三路互差120°依照正弦規則改變的功率疊加為幅值安穩的功率,再經過整流濾波便能夠輸出安穩的負載電壓。
(a)A相輸入電流和電網電壓
(b)A相直流穩壓電源母線電壓
(c)負載輸出電壓
圖7 蓄電池充電機充電系統的仿真波形
電機驅動系統仿真波形如圖8所示。圖8a給出了直流穩壓電源母線電壓uPN的波形,能夠看出直流穩壓電源電壓由250V升壓到500V供給正弦波逆變器;圖8b為開放式繞組感應電機端電壓ua、ub、uc的仿真波形;圖8c為三相定子電流、轉子角速度wN以及電磁轉矩Te的仿真波形。
0~0.3s時,電機空載,即電磁轉矩為0,轉速在1 500r/min附近,定子電流為空載電流,頻率為50Hz;0.3s時,突加額外負載,定子電流迅速添加,轉矩添加,轉速下降,最終安穩在額外轉速,動態響應較快,瞬態起動電流約為額外電流的1.5倍,起動轉矩約為額外轉矩的1.5倍。瞬態響應時電流、轉矩驟變較小。穩態時,轉速的波動量很小,約為0.1%,電磁轉矩波動量約為5%。
(a)直流穩壓電源母線電壓
(b)三相相電壓
(c)三相定子電流、轉子角頻率?N和轉矩Te
圖8 電機驅動系統的仿真波形
從圖7、圖8能夠看出,本文所提集成拓撲是可行的。
4 試驗剖析
為了對上述集成化拓撲結構進行原理性驗證,搭建了硬件試驗渠道。樣機的主要參數如下:功率為15kW的蓄電池充電機充電系統的輸入電壓為三相對稱溝通 電[12],其有效值為220V,開關頻率為12kHz,輸入濾波電感為500?H,直流穩壓電源環節的濾波電容為2?F,磁組合變壓器匝比為48∶23,輸出濾波電感為1 000?H,輸出濾波電容為4 000?F,輸出電壓為270V,蓄電池充電機充電系統的負載選用了大功率直流穩壓電源電子負載。電機驅動系統中的開放式繞組感應電機為1.1kW的感應電機改造而成,輸入直流穩壓電源電壓為160V,直通占空比為0.24,吸收電容C3=1?F,電容C1、C2均為30?F。
依據以上參數的相關試驗波形如圖9所示。由圖9a所示的電網電壓和輸入電流的波形能夠看出,網側電壓和電流根本同相位,電流波形正弦度很高,經功率剖析儀測試,功率因數達到了0.99以上。圖9b為直流穩壓電源母線電壓波形和正弦波逆變器輸出電壓波形,其包絡線為一饅頭波。圖9c給出了一安穩的輸出電壓。圖9d為蓄電池電壓和直流穩壓電源母線電壓波形,能夠看出輸入直流穩壓電源電壓160V經過升壓網絡使直流穩壓電源母線電壓升高到380V左右。
圖9e~圖9h給出了轉子磁場間接定向矢量操控時,電機的給定轉速為250r/min,負載轉矩為3N×m時的直流穩壓電源母線電壓、電機端電壓、定子電流以及轉速、轉矩的波形,能夠看出電機端電壓、定子電流波形的正弦度較高,且轉速和轉矩脈動較小,驗證了單級升壓雙正弦波逆變器的結構是可行的。為了能夠反映本文拓撲結構具有按捺直流穩壓電源母線電壓尖峰的效果,對傳統準Z源正弦波逆變器和提出的拓撲結構做了對比。圖9i為傳統準Z源逆
(a)電網電壓和輸入電流
(b)直流穩壓電源母線電壓和正弦波逆變器輸出電壓
(c)負載電壓
(d)輸入直流穩壓電源電壓和直流穩壓電源母線電壓
(e)濾波后三相繞組電壓
(f)直流穩壓電源母線電壓、繞組電壓和電流
(g)轉速
(h)轉矩
(i)傳統準Z源正弦波逆變器的直流穩壓電源母線電壓
(j)改善型單級升壓正弦波逆變器的直流穩壓電源母線電壓
圖9 電動汽車蓄電池充電試驗波形
變器的直流穩壓電源母線電壓波形。圖9j為本文所提單級升壓雙正弦波逆變器的直流穩壓電源母線電壓波形。比較可見:本文采拓撲結構中直流穩壓電源母線電壓在直通和非直通狀況變換瞬間電壓尖峰大大減小,振動也減小了。從試驗渠道得出的試驗波形能夠看出,電動汽車蓄電池充電機充電與驅動集成化拓撲結構是可行的。
5 定論
本文提出了一種電動汽車蓄電池充電機充電與驅動集成化拓撲,經過操控相應的變換開關能夠完成蓄電池充電機充電方式和驅動方式。為了習慣大功率運用場合,蓄電池充電機充電系統選用了三相系統供電。為了提高電動汽車的動力功用,驅動系統選用了單級升壓雙正弦波逆變器。該集成化拓撲結構具有以下特色:
1)蓄電池充電機充電系統能夠完成單級功率因數校正功用,電氣阻隔,無電解電容,延長了運用壽命。
2)驅動系統具有單級升/降壓功用,可靠性高,有較強的容錯才能,能量可雙向活動。
本文經過仿真和試驗成果驗證了蓄電池充電機充電系統能夠完成高功率因數以及輸出安穩的電壓;驅動系統能夠完成升壓功用,按捺母線電壓尖峰,以及在矢量操控下具有杰出的靜態功用。然后驗證了集成化拓撲是可行的。
- 上一篇:采用混合模型預測控制方法的充電機充電蓄電池儲能型模塊化多電平 2017/9/7
- 下一篇:中國制造2025對充電機充電鋰電企業產生的深遠影響只有后人知 2017/9/6
