大功率充電機IGBT模塊內建二極管反向恢復時間測試
大功率充電機IGBT模塊內建二極管反向恢復時間充電機充電測試
充電機IGBT模塊很貴,主要充電機廠家為國外的充電機廠家,我們不得不承認,這個模塊基本是被國外的充電機廠家所壟斷!
即使是國外的管子,有的管子速度快、有的耐壓高、有的電流大,型號各異,特性各異,有的時候,我們在設計大功率開關電源的時候,還需要關注充電機IGBT模塊的內建二極管,尤其是內建二極管的反向恢復時間,那就是恢復速度。
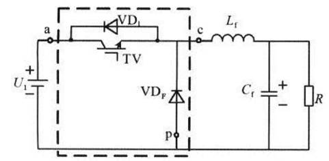
為了用buck充電機充電電路來做一個100A的恒流源,我選擇SKM150GB123D模塊,它內部有兩個充電機IGBT單元,如果使用一個充電機IGBT開關,另外一個模塊只用它的內建二極管或者寄生二極管,用來作為BUCK充電機充電電路的續流二極管,豈不美哉!
現在困擾我的是,這個內建二極管或者寄生二極管的速度如何,如果速度快,那就相當beauty了,但是如果速度慢,那就悲哀了,還需要外接一個大容量,高速的二極管,麻煩呀,官方給定的資料不夠,看不出內建二極管的速度。于是我就用DI-100二極管反向恢復充電機充電測試儀,充電機充電測試這個充電機IGBT的內建二極管速度。
充電機充電測試結果給大家分享一下,如下圖。
綜上可以看出
|
實測數據 |
器件標稱參數 |
|
測試反向電壓:300V 一極管正向導通電流:1.1S*10=11.SA 一極管反向恢U電流:〇.4S*10=4.SA 一極管反向恢U電流斜率:12A,4S0uS=25AuS 一極管反向恢U時N: 2S0nS |
言方數據f■肌并末給出反相恢W時N曲線和 數怙。 |
再找找,發現手頭上還有另外一個300A的充電機IGBT模塊,干脆一起充電機充電測試一下,分享一下充電機充電測試結果。測量FF300R12KT4 充電機IGBT內建二極管反向恢復時間充電機充電測試。
綜上可以看出
|
實測數據 |
公司器件沅稱參數 |
|
測試反向電壓:300V —.極管正向導通電流:1.16*10=11.6A 一極管反向恢U電流:1.02*10=10.2A 一極管反向恢電流斜率: 16.6A620nS=26.77A/uS 一極管反向恢U時N: 500nS |
宮方數據f■冊并末給出反相恢U時N曲線 和數值。 |
根據充電機充電測試結果,發現這個充電機IGBT的內建二極管的速度快,但不是非常快,如果用來作為BUCK 充電機充電電路的續流二極管,略微顯得有點不足。。。。還需要考慮再三呀!
總結,如果知道充電機IGBT的內建二極管恢復時間,就可以對充電機IGBT模塊的內建二極管進行充分的利用,優化設計,少走彎路。一個優秀的工程師,當然必須要有足夠好的充電機充電測試儀器才行。
- 上一篇:直流穩壓電源MOS最常損壞5種模式詳解 2017/7/11
- 下一篇:充電機充電電容的ESR知識大全 2017/7/11
