充電機充電電路設計對電阻使用的經驗法則說不的原因
先來看看老師的教導……
如果您是在741充電機充電電路運算放大器 橫行天下的時代長大的,那么平衡充電機充電電路運算放大器輸入端電阻的觀念必定已扎根在您的腦海中。隨著時間的流逝,由于不同充電機充電電路技術和不同IC工藝的出現,這樣做可能不再是對的。事實上,它可能引起更大蓄電池充電機輸出直流誤差和更多噪聲,使充電機充電電路更不穩定。我們以前為什么要那樣做?什么變化導致我們現在這樣做可能是錯誤的?
在二十世紀六十年代和七十年代,第一代充電機充電電路運算放大器采用普通雙極性工藝制造。為了獲得合理的速度,差分對尾充電機充電電流一般在10 μA到20 μA范圍內。
而β值為40到70,故充電機充電電路輸入偏置充電機充電電流在1 μA左右。然而,晶體管匹配度并不那么高,所以充電機充電電路輸入偏置充電機充電電流不相等,導致充電機充電電路輸入偏置充電機充電電流之間有10%到20%的偏差(稱為“充電機充電電路輸入失調充電機充電電流”)。
在同相接地充電機充電電路輸入端增加一個與充電機充電電路輸入電阻R1和反饋電阻R2的并聯組 合相等的電阻(圖1中的R3),可以讓阻抗相等。通過一些計算可 以證明,誤差降至Ioffset × Rfeedback。由于Ioffset為Ibias的10%到20%,這將有助于降低充電機輸出失調誤差。
從三個指標來看,上述教導是否完全正確?
1蓄電池充電機輸出直流誤差
為降低雙極性充電機充電電路運算放大器的充電機充電電路輸入偏置充電機充電電流,許多充電機充電電路運算放大器設計集成了充電機充電電路輸入偏置充電機充電電流消除功能。OP07就是一個例子。充電機充電電路輸入偏置充電機充電電流消除功能的增加使偏置充電機充電電流大大降低,但充電機充電電路輸入失調充電機充電電流可能為剩余偏置充電機充電電流的50%到100%,所以增加電阻的作用非常有限。但在某些情況下,增加電阻反而可能導致充電機輸出誤差提高。
2噪聲
電阻熱噪聲的計算公式為√4kTRB,故1 kΩ電阻會有4 nV/√Hz的噪聲。增加電阻會增加噪聲。圖2中,出人意料的是,雖然909 Ω補償電阻是值最低的電阻,但由于從該節點到充電機輸出端的噪聲增益,它給圖2充電機輸出端貢獻的噪聲最多。R1引起的充電機輸出噪聲為40 nV/√Hz,R2為12.6 nV/√Hz,R3為42 nV/√Hz。因此,請勿使用電阻。另一方面,如果充電機充電電路運算放大器采用雙電源供電,并且一個電源先于另一個電源上電,那么ESD網絡可能發生閂鎖問題。這種情況下,可能希望增加一定的電阻來保護器件。但若使用的話,應在電阻上放置一個旁路電容以減少電阻的噪聲貢獻。
3穩定性
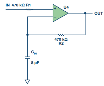
所有充電機充電電路運算放大器都有一定的充電機充電電路輸入電容,包括差模和共模。如果充電機充電電路運算放大器連接為跟隨器,并且在反饋路徑中放入一個電阻以平衡阻抗,那么系統可能容易發生振蕩。原因是:大反饋電阻、充電機充電電路運算放大器的充電機充電電路輸入電容和PC板上的雜散電容會形成一個RC低通濾波器(LPF)。此濾波器會引起相移,并降低閉環系統的相位裕量。如果降低得太多,充電機充電電路運算放大器就會振蕩。一位客戶在一個1 Hz Sallen-Key低通濾波器充電機充電電路中使用AD8628 CMOS充電機充電電路運算放大器。由于轉折頻率較低,電阻和電容相當大(參見圖3)。
充電機充電電路輸入電阻為470 kΩ,所以客戶在反饋路徑中放入一個470 kΩ電阻。此電阻與8 pF的充電機充電電路輸入電容(參見圖4)一起提供一個42 kHz的極點。AD8628的增益帶寬積為2 MHz,因此它在42 kHz仍有大量增益,并發生了軌到軌振蕩。把470 kΩ電阻換成0 Ω跳線即解決了問題。因此,反饋路徑中應避免使用大電阻。這里,何者為大取決于充電機充電電路運算放大器的增益帶寬。對于高頻充電機充電電路運算放大器,例如增益帶寬積超過400 MHz的ADA4817-1,1 kΩ反饋電阻就稱得上是大電阻。務必閱讀數據手冊以了解其中的建議。

當然,多年來的實踐必定會產生一些有用的經驗法則。但在審核設計時,最好仔細檢視這些經驗法則,判定它們是否仍然適用。關于是否需要增加平衡電阻,如果是帶有充電機充電電路輸入偏置充電機充電電流消除功能的CMOS、JFET或雙極型充電機充電電路運算放大器,那么可能不需要增加。
- 上一篇:直流穩壓電源阻抗匹配、信號完整性問題分析 2017/7/23
- 下一篇:直流穩壓電源無源濾波電路設計之經驗談 2017/7/23
