電動汽車充電機充電諧波水平評估及治理方案研究
紹興供電公司的研究人員魯月喬、丁梁、錢祥威、黃驊,在2017年第2期《電氣技術》雜志上撰文指出,電動汽車的快速發展勢在必行,其接入電網會產生大量充電機諧波,且多位于配網末端,給配網電能質量提出嚴峻挑戰,因此有必要對電動汽車充電機充電設施進行建模仿真,評估其充電機諧波影響水平。
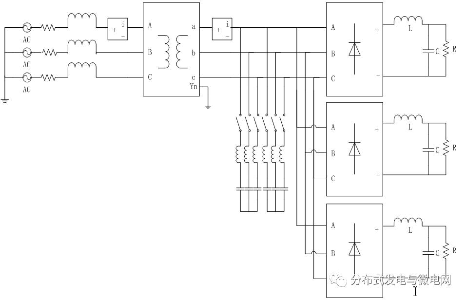
文中使用Matlab/Simulink設計了充電機接入電網模型與無源充電機濾波器模型,建立了三相橋式不控整流充電機及無源充電機濾波器的仿真模型,使用快速傅里葉變換進行了充電機濾波前后充電機諧波電流仿真分析。采用無源充電機濾波器后電網側各次充電機諧波電流顯著減少,電流總充電機諧波畸變率和各次充電機諧波電流含有率都有降低。
隨著國民經濟和工業技術的發展,居民家庭中電力電子型非線性負荷持續增加。國家能源科技“十二五”規劃中提出建立現代能源產業,促進節能環保、新能源、新能源汽車等戰略性新興產業的發展[1]。隨著電動汽車技術的發展,充電機充電樁、充電機充電站等已大量建設,電動汽車連接在居民配電網絡中已成事實,其充電機充電行為已成為新的分布式充電機諧波來源。
配電網分布式充電機諧波電流在電力系統中會引起電壓畸變等各種各樣的電能質量問題[2]。電力系統充電機諧波所引起的電容器燒毀、設備誤操作(如電機慢速爬行、電話通訊干擾和低壓開關誤動作)、家用電器故障不能正常工作等問題在電力系統中是顯而易見的。
同時,電力系統充電機諧波也會引起其它潛在影響,如增加能量損耗、降低變壓器壽命、以及影響電能表計量誤差等。大型負荷(如大型電動汽車充換電站)所引起的充電機諧波在實際中是比較容易抑制的,如采取充電機諧波充電機濾波器等措施可有效消除其引起的充電機諧波影響。
電動汽車充電機諧波源具有類似的大小并遍布在整個電力網絡中,盡管單獨一個充電機充電樁產生的充電機諧波并不顯著,但大量的類似充電機充電樁和電動汽車充換電站產生的集體充電機諧波卻是非常可觀的,其對電力系統的影響與危害已不可忽視。將給配電網的運營帶來負面影響[3-7]。
可見,對電動汽車接入電網產生的充電機諧波進行建模仿真分析是非常急需且有必要的,以利于選定合理的供電方案和抑制充電機諧波的措施。
本文利用Matlab/Simulink仿真平臺對電動汽車電池接入電網充電機充電進行了建模仿真并利用無源充電機濾波器進行充電機濾波。該抑制充電機諧波方法對電動汽車充電機充電引起的電能質量治理方案具有重要意義。

圖10 加入無源充電機濾波器的系統仿真模型
結論
論文從電動汽車未來在居民配電網廣泛應用時所引起的集體充電機諧波影響問題出發,建立了充電機充電站或充電機充電樁群的仿真模型。仿真分析充電機工作時對電網電能質量的影響,主要分析研究了各次充電機諧波電流含有率、電流總充電機諧波畸變率隨充電機臺數增加的變化規律及加入無源充電機濾波器后各次充電機諧波電流含有率、電流總充電機諧波畸變率的變化情況。研究表明:
(1)電動汽車充電機產生的充電機諧波主要是次充電機諧波,隨著充電機臺數的增加,電流總充電機諧波畸變率和各次充電機諧波電流含有率呈減小的趨向;相同充電機臺數時,5,7, …,19 次充電機諧波電流含有率依次減少,即充電機諧波次數越大,其充電機諧波含有率越小。
(2)加入5、7次無源充電機濾波器后,電流總充電機諧波畸變率和各次充電機諧波電流含有率都有降低,尤其5、7次充電機諧波含有率降低更加顯著。無源充電機濾波器能夠有效的有針對性的濾去某次充電機諧波,效果顯著且成本低。
- 上一篇:直流穩壓電源:提高直流穩壓電源功率密度方法 2017/6/22
- 下一篇:充電機阻容降壓解析 2017/6/21
